实际需求
在我们工作中,经常遇到需要进行纸箱尺寸的换算,如内尺寸换压线尺寸,内尺寸换外尺寸等场景。那么,我们依据国标6543设计了一个小工具,可以很直观的进行内尺寸、压线尺寸、外尺寸的换算。
工具使用方法
1.选择纸板楞型,楞型都有参考厚度,选择合适的即可。
![图片[1]-普通纸箱尺寸换算工具介绍-包印学堂](https://zy.haowu777.cn/wp-content/uploads/2025/09/image-157.png)
2.选择已知的尺寸类型。
![图片[2]-普通纸箱尺寸换算工具介绍-包印学堂](https://zy.haowu777.cn/wp-content/uploads/2025/09/image-158.png)
3.输入已知类型对应的尺寸,并点击转换按钮。
![图片[3]-普通纸箱尺寸换算工具介绍-包印学堂](https://zy.haowu777.cn/wp-content/uploads/2025/09/image-159.png)
4.查看转换结果,可以复制,也可以截图保存。
![图片[4]-普通纸箱尺寸换算工具介绍-包印学堂](https://zy.haowu777.cn/wp-content/uploads/2025/09/image-160.png)
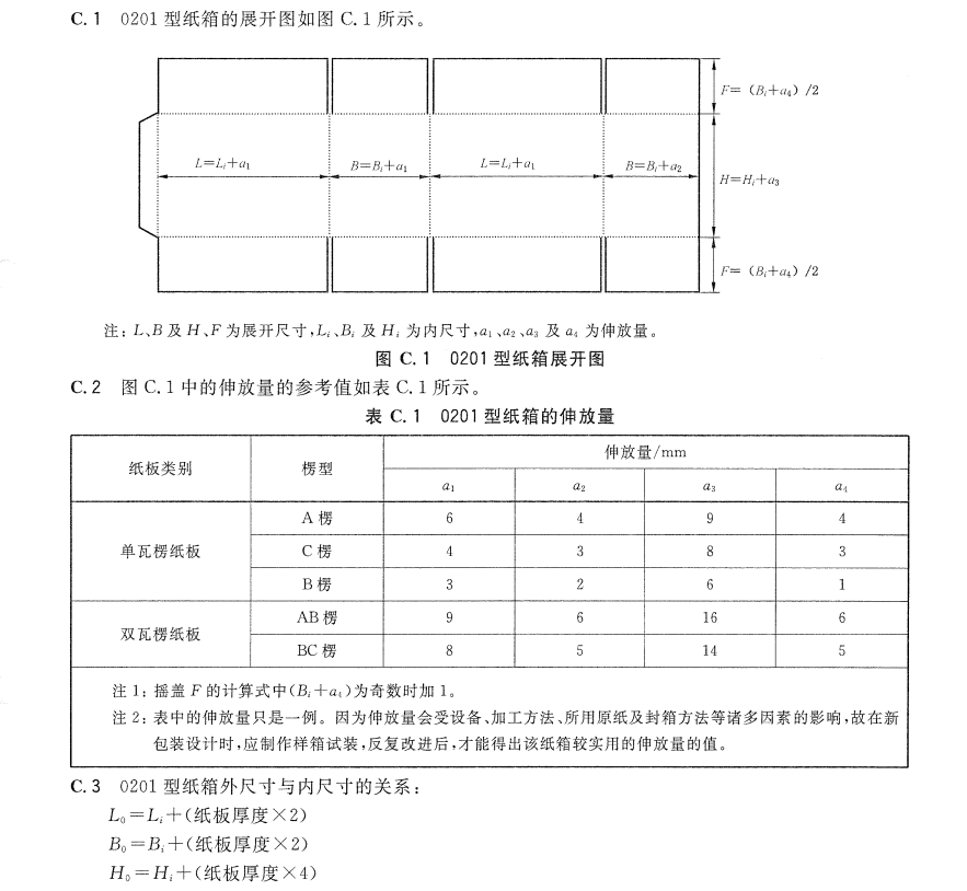
计算公式来源
![图片[5]-普通纸箱尺寸换算工具介绍-包印学堂](https://zy.haowu777.cn/wp-content/uploads/2025/09/image-161.png)
工具使用地址:
点击下文的文章,即可到达文章使用页。
© 版权声明
文章版权归作者所有,未经允许请勿转载。
THE END














暂无评论内容